Omezený provoz 21.–22. 5.
Vážení zákazníci, z provozních důvodů bude náš e-shop ve dnech 21. a 22. května nedostupný. Od 23. května jsme opět plně k dispozici. Děkujeme za pochopení.
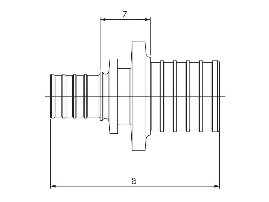
REHAU RAUTHERM spojka redukovaná 20x2,0 mm x 17x2,0/16x1,5 mm, 12594691002
Kód: 63142Související produkty
Detailní popis produktu
Spojka redukovaná RAUTHERMSoučást permanentně těsnící REHAU spojovací techniky pomocí násuvných objímek bez O-kroužků s trubkami RAUTHERM
|
![]() |
|
Násuvná objímka není součástí balení - nutno přikoupit zvlášť 2 ks násuvných objímek (po 1 ks pro redukovanou stranu)!
|
|
| Spojení násuvnou objímkou REHAU je nerozebíratelné spojení, v souladu s DIN 18380 (VOB) může být použito pod omítku a v mazanině bez revizní šachty. Spojovací technika násuvná objímka smí být použita pouze s odpovídajícími fitinky a trubkami RAUTHERM S, RAUTHERM SPEED a RAUTHERM SPEED K. Montáž smí být prováděna pouze nářadím pro násuvnou objímku REHAU. Násuvné objímky a spoje, které mají být instalovány do betonu nebo mazaniny, by měly být chráněny dle DIN 18560, např. páskou z PVC. | |
Doplňkové parametry
| Kategorie: | Spojky redukované |
|---|---|
| Záruka: | 24 |
| Hmotnost: | 0.061 kg |
| EAN: | 4007360032586 |
| Materiál: | pozinkovaná mosaz |
| Průměr trubky 1: | 20x2,0 mm |
| Průměr trubky 2: | 17x2,0/16x1,5 mm |
| Celková délka: | 57 mm |
| Obsah dodávky: | 1 ks |
| Výrobce: | REHAU |
| EAN: | 4007360032586 |
Diskuze
Buďte první, kdo napíše příspěvek k této položce.

