Omezený provoz 21.–22. 5.
Vážení zákazníci, z provozních důvodů bude náš e-shop ve dnech 21. a 22. května nedostupný. Od 23. května jsme opět plně k dispozici. Děkujeme za pochopení.
TENKO DIGITAL 380 elektrokotel 15 kW, 380V, 52025
Kód: 79754Detailní popis produktu
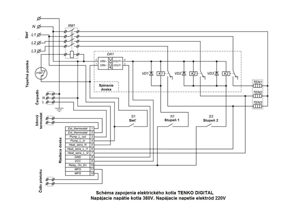
Řada elektrických kotlů TENKO DIGITAL 380V 6kW 7,5kW 9kW 12kW 15kW je určena pro vytápění prostor s plochou do 150 m2 nebo jako doplněk stávajícího plynového topného systému v případě výpadku plynu. Je vybaven regulací zapnutí/vypnutí čerpadla před nebo po zapnutí topných těles, dvoustupňovým ochranným systémem na ochranu proti přehřátí, dvěma teplotními čidly a modulárním bezpečnostním stykačem. Topné médium v systému je plynule nastavitelné v rozsahu 20-75 °C. Řada se skládá z kotlů o výkonu 6 kW 7,5 kW 9 kW 12 kW 15 kW. Připojení je možné pouze k síti 380 V. Přednosti elektrických kotlů řady "Digital" jsou: vysoký koeficient účinnosti, elektronická regulace, spolehlivost, snadná obsluha, ekologická čistota. Díly tělesa jsou vyrobeny z kvalitní oceli a jsou ošetřeny proti korozi. Jsou také opatřeny práškovou barvou, která vytváří ochrannou vrstvu a dodává jim krásný vzhled. Výměník tepla je vyroben pouze z vysoce kvalitních silnostěnných trubek, které jsou ošetřeny proti korozi a testovány tlakem 8 barů, aby byla zajištěna jejich dlouhá životnost.
Charakteristika kotle:
- Výkon 6kW 7,5kW 9kW 12kW 15kW
- Digitální ovládání
- Počet topných těles - 3
- Počet topných stupňů - 3
- Regulace teploty okruhu: 20-75 °C
- Regulace teploty vzduchu: 10-40 °C
- Maximální tlak v systému: 3 bar
- Čerpadlo - ne
- Odvzdušnění, pojistný ventil - ne
- Spínač průtoku vody - ne
- Tlakoměr - ne
- Expanzní nádrž - ne
- Připojení pro externí zařízení - ano
Výhody:
- 3 úrovně výkonu
- Dvě teplotní čidla pro topné médium a vzduch v místnosti
- Dvojitá ochrana proti přehřátí
- Možnost připojení pokojového termostatu
- Možnost externího ovládání čerpadla
- Možnost nastavení limitů zapnutí/vypnutí teploty
- Pohodlná indikace provozních režimů kotle
- Rychlá a snadná instalace
- Provoz s více měřiči
- Kryt chráněný proti korozi
- Pro provoz kotle není nutný komín
- Nízká hladina hluku
- Žádné spaliny ve vzduchu
- Lze instalovat i do malých obytných prostor nebo nábytku.
Technické parametry:
- Jmenovité napětí: 380 V
- Jmenovitý spínaný výkon: 6kW 7,5kW 9kW 12kW 15kW
- Síťová frekvence: 50 Hz
- Typ ohřívače: 1 blok 3 ohřívačů
- Maximální tlak v systému: 3 bar
- Připojení: Ø 3/4 palce (vnější závit)
- Celkové rozměry: VxŠxH 581x189x97 mm
- Hmotnost: 7,6 kg,
Další údaje:
- Provoz v otevřeném systému, Ano
- Regulace teploty vzduchu - žádná
- Čerpadlo - ne
- Odvzdušnění, bezpečnostní ventil - ne
- Průtokový spínač - ne
- Snímač tlaku - ne
- Expanzní nádoba - ne
- Přípojka pro oběhové čerpadlo - ano
- Digitální regulace teploty: 20 °C - 75 °C pro vodu,
- 10 °C - 40 °C pro vzduch
- Účinnost: 99 %
- Objem výměníku tepla: 1,8 dm3
- Provoz v otevřeném systému - Ano

Doplňkové parametry
| Kategorie: | Elektrokotle |
|---|---|
| Záruka: | 24 |
| Hmotnost: | 7.6 kg |
| EAN: | 4820000520270 |
| Výrobce: | TENKO |
| EAN: | 4820000520270 |
Diskuze
Buďte první, kdo napíše příspěvek k této položce.
