Omezený provoz 21.–22. 5.
Vážení zákazníci, z provozních důvodů bude náš e-shop ve dnech 21. a 22. května nedostupný. Od 23. května jsme opět plně k dispozici. Děkujeme za pochopení.
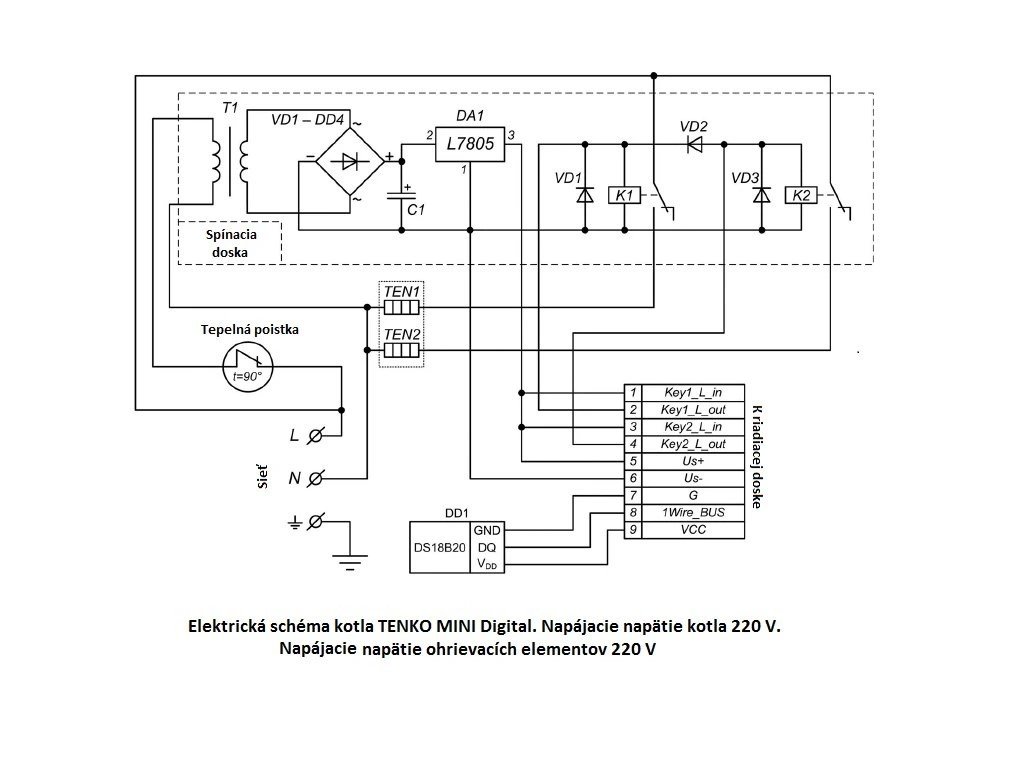
TENKO MINI DIGITAL elektrokotel 4,5 kW, 220V, 65569
Kód: 79745Detailní popis produktu
Elektrický kotel TENKO MINI DIGITAL 220V 3kW a 4,5kW je ideálním řešením pro ty, kteří hledají kompaktní a přitom výkonný zdroj tepla. Tento mini kotel od společnosti Tenko je určen k vytápění místností do 30 a 45 m2 (cca 1 kW na 10 m2), ale lze jej použít i jako doplňkový, záložní nebo bezpečnostní spotřebič ve stávajícím plynovém topném systému. Kotel má výkon 3kW nebo 4,5kW a připojení je možné pouze do sítě 220V. Kromě vynikajícího výkonu a možnosti plynulé regulace teploty topného média v rozsahu 0-80 °C nabízí i další výhody, jako je vysoký koeficient účinnosti, elektronická regulace, spolehlivost, snadná obsluha a ekologická čistota. Části krytu jsou vyrobeny z vysoce kvalitní oceli a jsou ošetřeny proti korozi, což zajišťuje jejich dlouhou životnost. Tento minikotel se také velmi snadno instaluje a obsluhuje a díky kompaktnímu provedení jej lze snadno instalovat i v malých prostorách. K tomu všemu má přijatelnou cenu a minimální nároky na údržbu.
Výhody
Kotle Tenko Mini Digital mají nízkou hmotnost, vynikající poměr cena/výkon a atraktivní vzhled. Díky použití moderních obvodů je spotřebič prakticky bezhlučný, podporuje automatický provoz a jeho používání je bezpečné.
Kotel je určen pro práci v jedno- nebo dvoutrubkových otevřených i uzavřených topných systémech, včetně solárních termických systémů, tepelných čerpadel a klimatizačních systémů se stabilním nebo mírně proměnlivým průtokem provozní kapaliny.
Charakteristika:
- Výkon - 3 kW nebo 4,5 kW
- Regulace - digitální
- Počet topných těles - 2
- Počet topných stupňů - 2
- Regulace teploty okruhu - 0-80 °C
- Regulace teploty vzduchu - žádná
- Odvzdušnění, pojistný ventil - ne
- Průtokový spínač - ne
- Snímač tlaku - ne
- Expanzní nádoba - ne
- Připojení pro externí zařízení - ne
- Připojení pokojového termostatu - ne
Další parametry:
- Maximální tlak v systému : 3 bary
- Digitální regulace teploty : 0 °C - 80 °C - voda
- Typ ohřívače : 1blok 2 topných těles
- Účinnost : 99 %
- Regulace topného okruhu : Plynulá od 0 do 80 °C
- Připojovací zásuvky, palce: Ø 3/4 (vnější závit)
- Objem výměníku tepla (ne menší než), : 0,85 dm3
- Celkové rozměry VxŠxH : 465x151x91 mm
- Hmotnost: 4,7 kg
- Postupná regulace výkonu : Ano
- Provoz v otevřeném systému : Ano
Speciální funkce:
Provozní kapalina: Čistá, neviskózní, neagresivní kapalina bez pevných látek a vláken, hustotou a chemickou aktivitou podobná vodě;
Před rozhodnutím o koupi kotle zkontrolujte elektrickou síť, pojistky a průřez kabelů!!!
Potřebné údaje naleznete v následující tabulce.

Doplňkové parametry
| Kategorie: | Elektrokotle |
|---|---|
| Záruka: | 24 |
| Hmotnost: | 4.7 kg |
| EAN: | 4820000655699 |
| Výrobce: | TENKO |
| EAN: | 4820000655699 |
Diskuze
Buďte první, kdo napíše příspěvek k této položce.
